2-szekciós hidraulikus elosztó 80L 1x kettős működésű 1x úszó szekció
Regular price:
Regular price:
product unavailable
megőrzőbe helyezés
Leírás
Alkalmazás:
Többek között hókotrókban vagy TUR homlokrakodókban használatos úszó szekció, más néven szabad visszafolyó. A hidraulikus hengerekben található dugattyúrudak szabad mozgását eredményezi. Megóvja a talajjal közvetlenül érintkező elemeket (pl. a csoroszlyát) a károsodástól.
Műszaki adatok:
A rendszer ajánlott olajátfolyása: 0 - 80 l/perc.
Példavezérlés: kettős működésű hidraulikus munkahenger vezérlése.
Meglévő rendszerrel sorba köthető (szorítóhüvely szükséges).
Hidraulikus elosztó hidraulikus rajza:
Vezérlés:
Kettős működésű szekció háromállású karja (1 - 0 - 2), rugós, tehát magától visszaáll függőleges helyzetbe:
- 0. Alaphelyzet (kar függőleges helyzetben) a munkahenger dugattyúrúdja áll - az olaj átfolyik.
-1. helyzet (a kar átlósan előrefelé áll) a munkahenger dugattyúrúdja kitolódik.
-2. helyzet (a kar átlósan hátrafelé áll) a munkahenger dugattyúrúdja visszahúzódik.
Úszó szekció karja - négyállású (1 - 0 - 2 - 3), három állás (1 - 0 - 2) rugós (a kar magától visszaáll függőleges helyzetbe), a (3) állás reteszelhető (a kar úszó helyzetben kerül rögzítésre):
-0. helyzet (kar függőleges helyzetben) a munkahenger dugattyúrúdja áll - az olaj átfolyik.
-1. helyzet (a kar átlósan előrefelé áll) a munkahenger dugattyúrúdja kitolódik.
-2. helyzet (a kar átlósan hátrafelé áll) a munkahenger dugattyúrúdja visszahúzódik.
-3. úszó, reteszelhető helyzet (a kar maximálisan előre van tolva) a munkahenger dugattyúrúdja szabadon mozog, a rá ható erők hatására tolódik be és ki.
Csatlakoztatás:
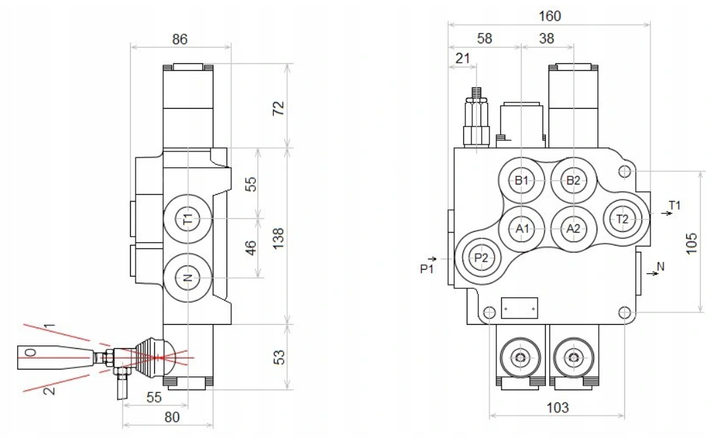
Szivattyú ellátókör (P): belső menet BSP 1/2''
Tartályba visszatérő kör (T): belső menet BSP 3/4''
Szekcióbemenet (A, B): belső menet BSP 1/2''
Soros csatlakozás (N): belső menet BSP 3/4"
Nyomásintervallum:
Maximális nyomás az ellátókörben: 250Bar
Maximális nyomás a visszatérő körben: 50Bar
Maximális nyomás a szekciókban: 300Bar
A túlfolyószelep gyárilag 175Bar-ra van állítva.
Saját hatáskörben beállítható, egy teljes fordulat 30Bar-ral változtatja meg a nyomást.
Olajhőmérséklet ajánlott tartománya:
Megengedett környezeti hőmérséklet: -40 °C - +60 °C
Megengedett olajhőmérséklet: -15 °C - +80 °C
Hidraulikus elosztó alapvető méreteit bemutató rajz:
