2-szekciós hidraulikus elosztó 40L 1x kettős működésű 1x reteszes szekció hidraulikus motor vezérléséhez
Regular price:
Regular price:
product unavailable
megőrzőbe helyezés
Leírás
Alkalmazás:
Hidraulikus rendszerekben széles körben használják, a mezőgazdaságban, kertészetben, erdőgazdálkodásban, építőiparban és a tág értelemben vett iparban.
Különböző típusú gépekben való felhasználsra szolgál, mint például: mezőgazdasági gépek, traktorok, permetezők, kaparók, markolók, HDS rakodók, építőipari gépek, rakodók, kotrók, seprőgépek, ipari gépek és egyéb, hidraulikusan vezérelt gépek.
A reteszelhető karnak köszönhetően az elosztó nagyszerűen alkalmas hidraulikus motor vezérlésére. A motor beindítását követően távozhat az elosztótól, nem szükséges folyamatosan fogni a kart.
Műszaki adatok:
A rendszer ajánlott olajátfolyása: 0 - 40 l/perc.
Meglévő rendszerrel sorba köthető (szorítóhüvely szükséges).
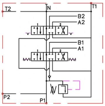
Hidraulikus elosztó hidraulikus rajza:
Vezérlés:
Háromállású kar (1 – 0 – 2), rúgós, tehát magától visszaáll függőleges helyzetbe:
– 0. helyzet (kar függőleges helyzetben) a munkahenger dugattyúrúdja áll – az olaj átfolyik.
– 1. helyzet (a kar átlósan előrefelé áll) a munkahenger dugattyúrúdja kitolódik.
– 2. helyzet (a kar átlósan hátrafelé áll) a munkahenger dugattyúrúdja visszahúzódik.
A reteszelhető szekció karja háromállású (1 - 0 - 2), tehát magától munkahelyzetben marad:
-0. helyzet (kar függőleges helyzetben) a motor áll - az olaj átfolyik.
-1. helyzet (a kar átlósan előrefelé áll) a motor balra forog.
-2. helyzet (a kar átlósan hátrafelé áll) a motor jobbra forog.
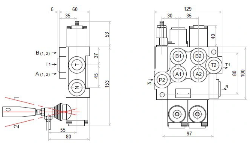
Csatlakoztatás:
Szivattyú ellátókör (P): belső menet BSP 1/2''
Tartályba visszatérő kör (T): belső menet BSP 1/2''
Szekcióbemenet (A, B): belső menet BSP 3/8''
Soros csatlakozás (N): belső menet BSP 1/2"
Nyomásintervallum:
Maximális nyomás az ellátókörben: 250Bar
Maximális nyomás a visszatérő körben: 50Bar
Maximális nyomás a szekciókban: 300Bar
A túlfolyószelep gyárilag 175Bar-ra van állítva.
Saját hatáskörben beállítható, egy teljes fordulat 30Bar-ral változtatja meg a nyomást.
Olajhőmérséklet ajánlott tartománya:
Megengedett környezeti hőmérséklet: -40 °C - +60 °C
Megengedett olajhőmérséklet: -15 °C - +80 °C
Hidraulikus elosztó alapvető méreteit bemutató rajz:
