Kézi egyirányú 12cm3 hidraulikus szivattyú tartállyal
Regular price:
Regular price:
product unavailable
megőrzőbe helyezés
Leírás
Alkalmazás:
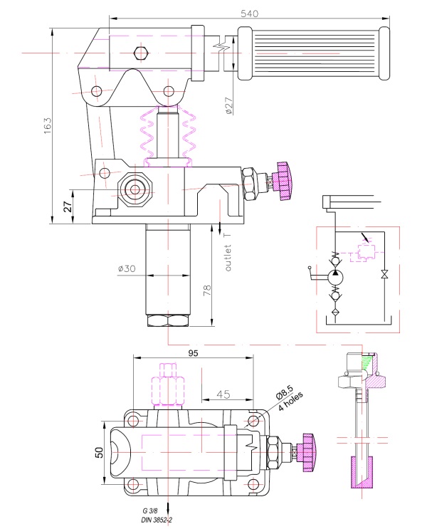
A készlet tartalma: tartály, szivattyú, kar, szivattyútömítés, csavarkészlet és szűrővel ellátott tömlő.
Hidraulikus rendszerekben széles körben használják, a mezőgazdaságban, kertészetben, erdőgazdálkodásban, építőiparban és a tág értelemben vett iparban.
Univerzális felhasználás mobil rendszerekben, présekben és egyéb műhelyi gépekben. Egyedi tervezésű hidraulikus rendszerekben és egyebekben.
A szivattyúból egy olajtömlő áll ki (a fényképen fedőelemmel látható), melyek lehetővé teszik egyszeres működésű henger csatlakoztatását. A szivattyú nagyszerűen együttműködik a kínálatunkban megtalálható mindegyik Hydrotechnik24 márkájú egyszeres működésű munkahengerrel.
Szivattyú műszaki adatai:
Kétciklusú, azaz egyszerre szívó és pumpáló szivattyú.
Az olaj a kar fel-le mozgatásakor folyamatosan pumpálásra kerül.
Geometriai űrtartalom: 12cm3 ciklusonként
Túlfolyó szelep: IGEN
Túlfolyó szelep gyári beállítása: 180 bar
Maximális nyomás: 250 bar
Vezeték csatlakoztatása: külső menet BSP 3/8"

Tartály műszaki adatai:
Anyag: acél
Felület: porfestett