1. csoportba tartozó hidraulikus fogaskerekes szivattyú, bal irányú, űrtartalom: 3,05cm3/ford., teljesítmény (1500ford/perc): 4,57L/perc
Regular price:
Regular price:
product unavailable
megőrzőbe helyezés
Leírás
Alkalmazás:
Hidraulikus rendszerekben széles körben használják, a mezőgazdaságban, kertészetben, erdőgazdálkodásban, építőiparban és a tág értelemben vett iparban.
Univerzális alkalmazhatóság, kicsi és közepes mobil rendszerekben, energiatárolókban, tápegységekben, aggregátumokban, saját tervezésű hidraulikus rendszerekben és egyebekben.
Műszaki adatok:
teljesítmény: 4,57 l/perc (1500 ford./perc esetén)
geometriai űrtartalom: 3,05 cm3/ford.
forgásirány: bal irányú
fordulatszám intervallum: 800 - 5000 (ford./perc)
belső menetek a házban: szívás: BSP 3/8" ; préselés: BSP 3/8"
nyomás folyamatos működés esetén: 260bar
nyomás ideiglenes működés esetén: 300bar
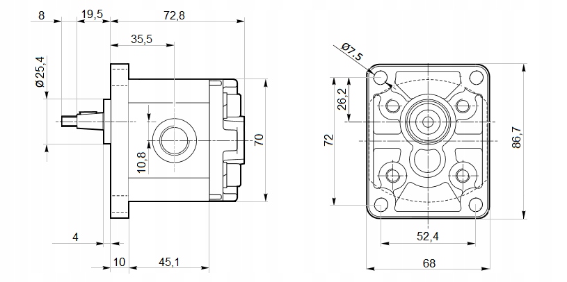
A hidraulikus szivattyú alapvető méreteit bemutató rajz:

A hidraulikus szivattyú forgásirányát bemutató rajz:
