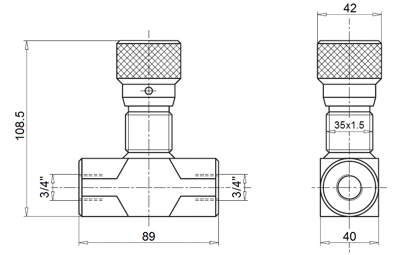
VRFB 90 hordós szelep állítható fojtószeleppel kétoldalon. Menetekkel: 3/4”, térfogatáram: 80L/perc, maximális nyomás: 280bar
Regular price:
Regular price:
product unavailable
megőrzőbe helyezés
Leírás
Működési elv:
A fojtószelep mindkét irányban szabályozza (fojtja) az áramlást. A szabályozott áramlás az olajnyomás változásától függ a rendszerben. A beállítást a beállító csavarral lehet elvégezni, a beállításokat kontracsavarral lehet biztosítani.
Csatlakoztatás:
Csatlakoztassa a V-t a betápláló vonalba, valamint a C-t a vevőbe, vagy fordítva.

Műszaki adatok:
Maximális átfolyás: 80 l/perc
A test hidraulikus furatainak száma: 2
Belső menetek a testben: 3/4'' [BSP]
Ház anyaga: galvanizált acél
Megengedhető maximális nyomás: 280bar
Hőmérsékleti tartomány és olaj típusa:
Megengedett környezeti hőmérséklet: -40 C - +60 C
Megengedett olajhőmérséklet: -15 C - +80 C
Olaj típusa: Ásványolaj alapú hidraulikaolaj
Műszaki rajz:
