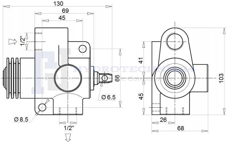
Húzott végszelep „végálláskapcsoló” alaphelyzetben zárt V-FCR 2T menetek: 1/2” térfogatáram: 80L maximális nyomás: 350bar
Regular price:
Regular price:
product unavailable
megőrzőbe helyezés
Leírás
Működési elv:
A szelep alaphelyzetben zárt, azaz gyári helyzetben, az olajáram mindkét irányban feltétel nélkül blokkolva van. A csúszka mechanikus húzása mindkét irányban megnyitja az olajáramot. A csúszka húzható húzózsinórral vagy fém sodronnyal.
Csatlakoztatás:
Csatlakoztassa a P-t a hálózati betáphoz, és csatlakoztassa az A-t a vevőkészülékekhez vagy tartályhoz.

Műszaki adatok:
A csúszka 7 mm-rel, minimum 6,5 kg erővel történő mozgatása után kezdi el nyitni az áramlást. A csúszka 20,5mm-rel, minimum 18kg erővel történő mozgatása után nyílik teljesen az áramlás.
Maximális átfolyás: 80 l/min
A test hidraulikus furatainak száma: 2
Külső menetek a testben : 1/2 "[BSP]
Ház anyaga: öntvény
Legnagyobb megengedett nyomás: 350 bar
