kasszához összesen: 0,00 Ft

Elektromos szelep hidraulikus elválasztó WALVOIL 6/2 60L/min, elektromosan vezérelt 24V (rakodóhoz)

Elérhetőség: nagy mennyiség
Szállítás: 2-5 munkanapon belül
Szállítás: Az ár nem tartalmazza az esetleges, fizetéssel kapcsolatos díjakat tekintsd meg a szállítási módokat
Bruttó ár: 70 223,38 Ft

Regular price:

70223.38
Nettó ár: 55 294,00 Ft

Regular price:

mennyiség db.

product unavailable

megőrzőbe helyezés

Leírás

Alkalmazás:

Elektromos szelep, mely elektromos impulzussal (24V) lehetővé teszi a vezérlés átkapcsolását két egymástól függetlenül működő kettős működésű munkahenger között. Ideális megoldás, ha van egy hidraulikus elosztónk, amelyben az összes rendelkezésre álló szekció már használatban van, és hirtelen szükség van egy új, kiegészítő munkahengert működtető vezérlésére. A TUR rakodóban ez az eszköz lehetővé teszi a kanál, bálafogó vagy krokodil villa vezérlését az elosztó egyetlen szakaszáról. A vezérlés között a gomb megnyomásával válthat. Szerelhető az elosztó közelében vagy közvetlenül a vezérlőelemre, például egy karra vagy joystickra. A mágnesszelep lehetővé teszi két hajtómű vezérlését, de nem vezérelhetőek egyszerre. A munkát az első hajtóművön kell elvégezni, majd átváltunk a második hajtómű vezérlésére

Csúszka működési elve:

Kétállású csúszka (1 - 2), rugóval, tehát az áramellátás megszüntetésekor automatikusan visszaáll alaphelyzetbe.
1. helyzet semleges (a tekercs tápellátása megszakadt) - a következő számú munkahenger vezérlésének a lehetősége áll fenn: 1.
2. helyzet munkahelyzet (a tekercs tápellátása folyamatban) - a következő számú munkahenger vezérlésének a lehetősége áll fenn: 2.

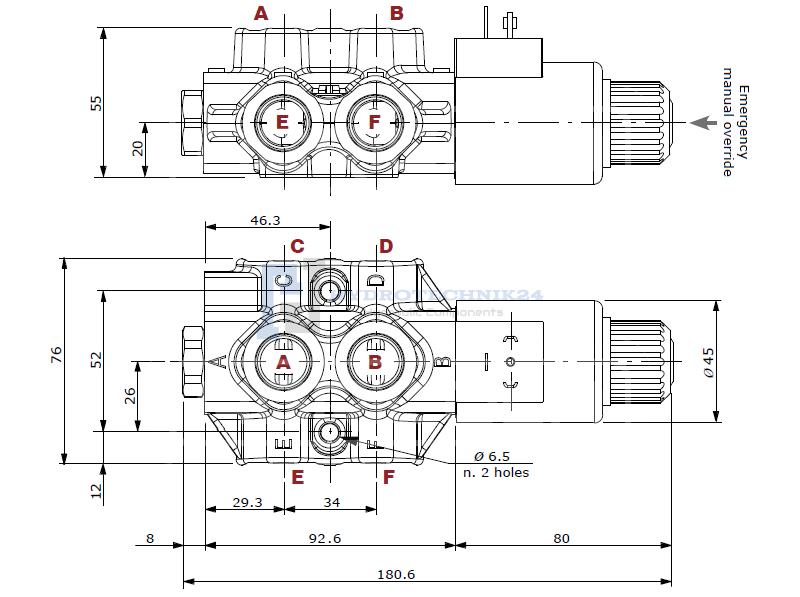
Műszaki adatok:

  • A test hidraulikus furatainak száma: 6
  • Maximális térfogatáram: 60 l/min
  • Belső menetek a testben: 3/8''
  • Tápfeszültség: 24V
  • Maximális nyomás az ellátókörben: 200Bar
  • Maximális nyomás a visszatérő körben: 50Bar
  • Maximális nyomás a szekciókban: 200Bar
  • Megengedett környezeti hőmérséklet: -40 °C és +60 °C között
  • Megengedett olajhőmérséklet: -15 °C és +80 °C között
  • Ajánlott olajszűrési szint: 10 - 15 µ

Szállítási díj Az ár nem tartalmazza az esetleges, fizetéssel kapcsolatos díjakat

Küldési ország:
felfelé
A bolt előnézeti módban van
Jelenítsd meg az oldal teljes változatát
Sklep internetowy Shoper.pl