Kettős működésű hidraulikus munkahenger 50/28, hossz: 630mm lökethossz: 400mm biztonsági szeleppel „zárral”
Regular price:
Regular price:
product unavailable
megőrzőbe helyezés
Leírás
Alkalmazás:
Hidraulikus rendszerekben széles körben használják, a mezőgazdaságban, kertészetben, erdőgazdálkodásban, építőiparban és a tág értelemben vett iparban.
A munkahenger különböző típusú gépekben való felhasználsra szolgál, mint például: mezőgazdasági gépek, traktorok, permetezők, kaparók, markolók, HDS rakodók, építőipari gépek, rakodók, kotrók, seprőgépek, ipari gépek és egyéb, hidraulikusan vezérelt gépek.
Ajánljuk többek között mezőgazdasági gépek, markolók, trágyavillák, hókotrók, kormányrásegítés stb. gyártásakor.
Biztonsági szelep rendeltetése:
A biztonsági szelep (zár) a munkahenger mindkét irányba történő mozgásának blokkolására szolgál. Stabilitást biztosít a dugattyúrúd számára, amikor a munkahenger nincs vezérelve, de nagy erők hatnak rá. A szelep automatikusan kiold, amikor a hidraulikus elosztót működtetjük és elindítjuk a nyomást a hidraulikus munkahenger felé.
Általános információk:
Fej rögzítése a cső oldalán: hegesztett
Fej rögzítése a rúd oldalán: menetes
Hengerfej (zárófedél) típusa: menetes, csőbe csavart
Rúd (dugattyúrúd) típusa: krómozott, hegeszthető
Munkaparaméterek:
Maximális megengedett üzemi nyomás: 240 bar
Megengedett környezeti hőmérséklet: -40 C - +60 C
Megengedett olajhőmérséklet: -15 C - +80 C
Folyadék típusa: ásványolaj alapú hidraulikaolaj
A munkahenger kinyomó- és behúzóerő változását a hidraulikus rendszerben uralkodó olajnyomás függvényében bemutató táblázat:

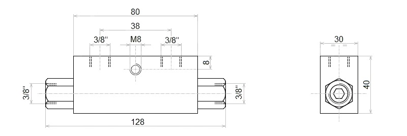
A munkahenger alapvető méreteit bemutató műszaki rajz:


Fontos!!!
A készleteket úgy terveztük meg, hogy könnyen sajátkezűleg összerakhatók legyenek. A termék szállítás közbeni biztonságára, valamint a szállító végen szabályzatából eredő korlátozásokra való tekintettel a készületeket szétszerelt állapotban küldjük.