kasszához összesen: 0,00 Ft

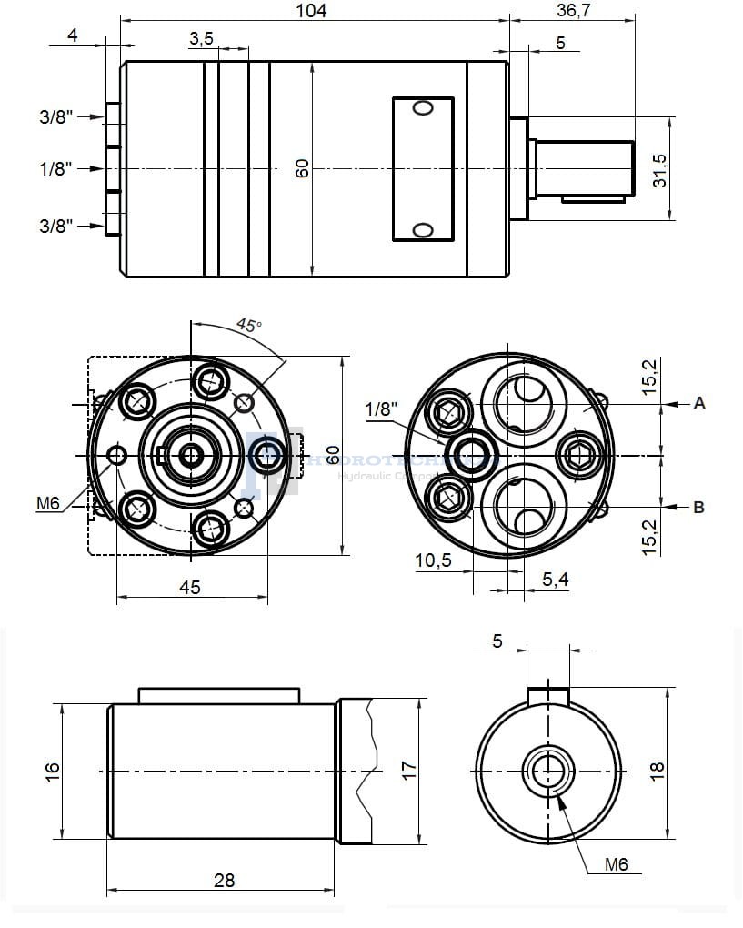
MM Hidraulikus motor, folyadékszállítás: 8,2cm3/ford. fordulatszám: 1950ford./perc tengely: 16mm

Elérhetőség: nagy mennyiség
Szállítás: 2-5 munkanapon belül
Szállítás: Az ár nem tartalmazza az esetleges, fizetéssel kapcsolatos díjakat tekintsd meg a szállítási módokat
Bruttó ár: 80 130,65 Ft

Regular price:

80130.65
Nettó ár: 63 095,00 Ft

Regular price:

mennyiség db.

product unavailable

megőrzőbe helyezés

Leírás

Alkalmazás:

Hidraulikus rendszerekben széles körben használják, a mezőgazdaságban, kertészetben, erdőgazdálkodásban, építőiparban és a tág értelemben vett iparban.

Az ugyanilyen méretekkel rendelkező motorok származástól és gyártótól függően különböző szimbólumokkal vannak ellátva, többek között: SMM, MMS, BMM, OMM, OMZM, EPMM.

Az MM szériába tartozó motorok nagyon gyorsak és különböző típusú mezőgazdasági és ipari gépekben való felhasználásra készültek. Olyan rendszerekben, ahol alacsony energiaigény áll fenn és alacsony olajáramlással nagyon nagy forgási sebességet szeretnénk elérni, pl. fentilátorok, fúrók stb.

MM motorok jellemzői és előnyei:

-sorosan és párhuzamosan is összekapcsolhatók
-nagy indítónyomaték és egyenletes működés azonnal a beindítást követően
-nagy ellenállás az axiális és radiális erőkkel szemben
-egyszerű beüzemelés
-alacsony zajszint
-hosszú élettartam még zord felhasználási körülmények esetén is 

 

Műszaki adatok:

  • Forgásirány: kétirányú
  • Belső menetek a házban: 3/8"
  • Csatlakozók: hátul
  • Ház anyaga: acél, öntöttvas

Olajhőmérséklet ajánlott tartománya:

  • Megengedett környezeti hőmérséklet: -40°C - +80°C
  • Megengedett olajhőmérséklet: -15°C - +80°C

Maximális paraméterek folyamatos működés esetén:

  • Maximális átfolyás: 16 l/perc
  • Maximális forgási sebesség: 1950 ford./perc
  • Maximális nyomás: 140 Bar
  • Maximális teljesítmény: 1,8 kW
  • Maximális forgatónyomaték: 11 Nm

Maximális paraméterek időszakos, percenként max. 6 másodperces működés esetén:

  • Maximális átfolyás: 20 l/perc
  • Maximális forgási sebesség: 2440 ford./perc
  • Maximális nyomás: 200 Bar
  • Maximális teljesítmény: 2,6 kW
  • Maximális forgatónyomaték: 21 Nm

Szállítási díj Az ár nem tartalmazza az esetleges, fizetéssel kapcsolatos díjakat

Küldési ország:

Kapcsolódó termékek

felfelé
A bolt előnézeti módban van
Jelenítsd meg az oldal teljes változatát
Sklep internetowy Shoper.pl