kasszához összesen: 0,00 Ft

P80 hidraulikus elosztó fa hasogatóhoz, retesszel felszerelve HT24

Elérhetőség: nagy mennyiség
Szállítás: 2-5 munkanapon belül
Szállítás: Az ár nem tartalmazza az esetleges, fizetéssel kapcsolatos díjakat tekintsd meg a szállítási módokat
Bruttó ár: 42 153,84 Ft

Regular price:

42153.84
Nettó ár: 33 192,00 Ft

Regular price:

mennyiség db.

product unavailable

megőrzőbe helyezés

Leírás

Alkalmazás:

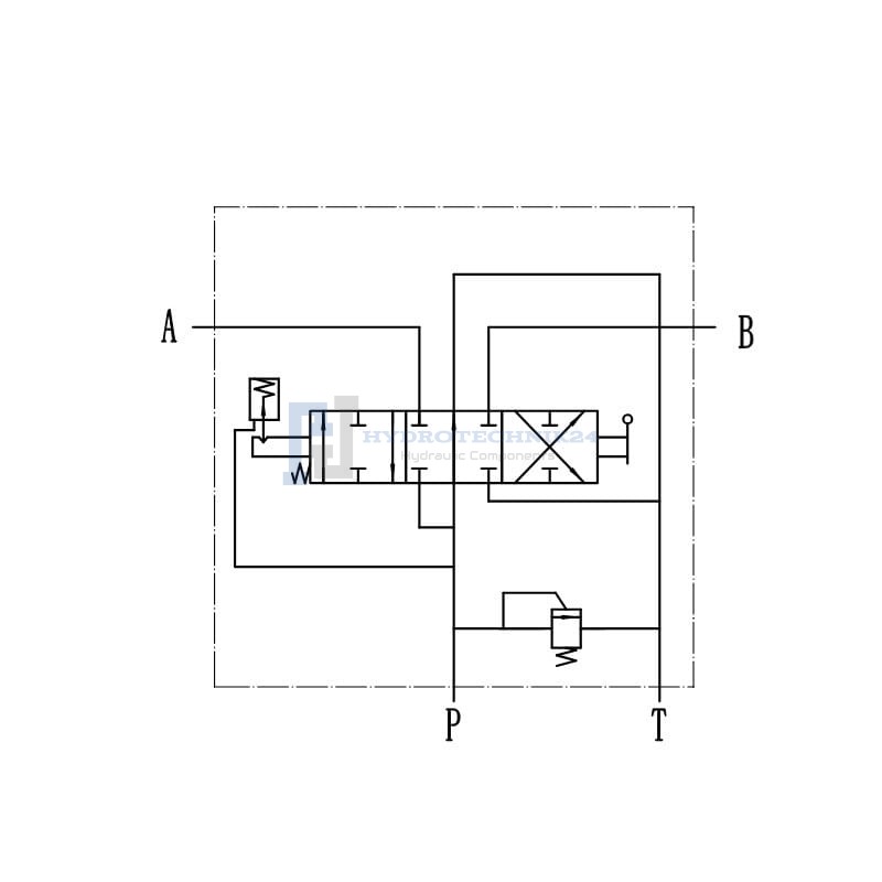
Speciálisan fahasítóhoz fejlesztve. A fa hasítása során biztonsági okokból szükséges a vezérlőszelep karjának megtartása. A dugattyú visszatérése a retesz függvényében áll, amely a henger teljes behúzása után automatikusan visszapattan és visszatér a kiindulási pozícióba. Ez a megoldás lehetővé teszi a fa törzsének cseréjét és a faforgács eltakarítását a dugattyú visszahúzódása közben. Ezenkívül a dugattyú visszatérése után a zár automatikusan visszaugrik és tehermentesíti a hidraulikus szivattyút, így a hidraulikus rendszer nem melegszik fel. Semleges pozícióban az olaj szabadon áramlik a hidraulikus elosztón keresztül, és visszatér az olajtartályba.

A vezérlőszelep működése:

  • pozíció: semleges (a kar függőleges helyzetben van) a henger dugattyúja áll - az olaj visszatér a tartályba.
  • pozíció: munka (a kar előre ferde -pozícióban van) a henger dugattyúja kinyúlik.
  • pozíció: munka (a kar hátra ferde pozícióban van) a henger dugattyúja behúzódik.


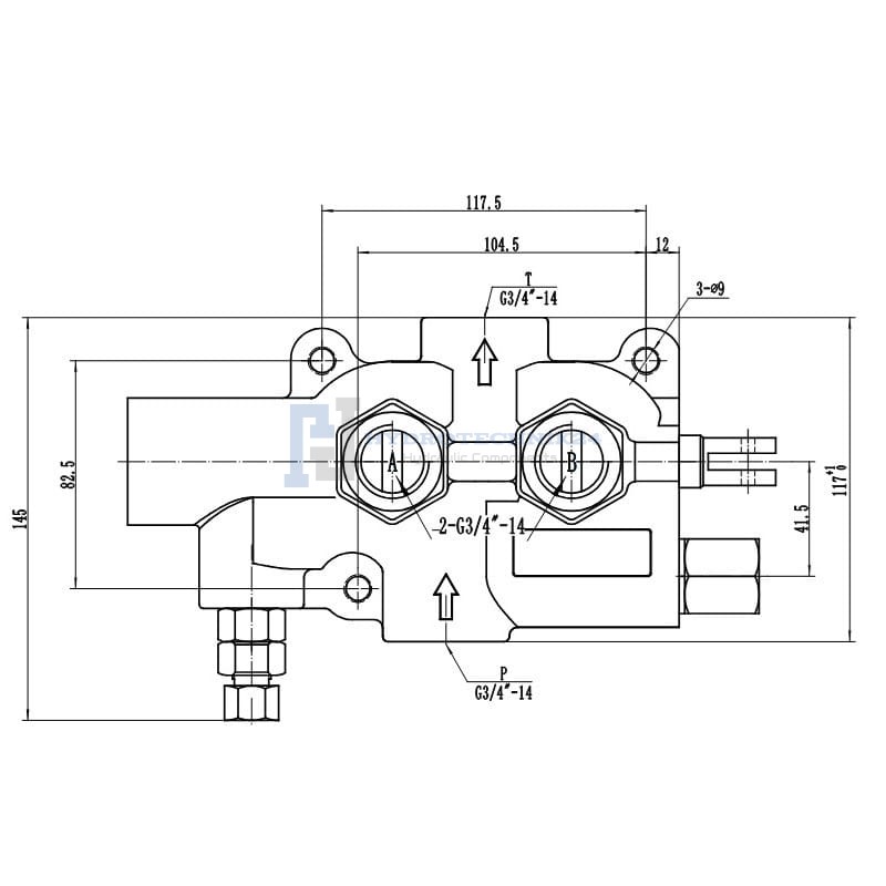
Műszaki adatok:

  • Csatlakozó port, tápellátás: 3/4''
  • Csatlakozó port, visszatérés: 3/4''
  • Szekciók csatlakozó portjai: 3/4"
  • Maximális nyomás a tápellátáson: 250Bar
  • Maximális nyomás a visszatérésen: 50Bar
  • Maximális nyomás a szekciókon: 300Bar
  • Megengedett környezeti hőmérséklet: -40 C-tól +60 C-ig
  • Megengedett olajhőmérséklet: -15 C-tól +80 C-ig
  • Ajánlott hidraulikus olaj: ásványi olaj alapú, pl. HL 32 vagy HL 46

A túlfolyó szelep gyárilag 175Bar van beállítva. Van lehetőség a saját beállításra, teljes fordulat 30Bar változást eredményez.

A munkahelyzetből a semleges pozícióba történő visszaállító szelep 70 bar-ra van beállítva, a szabályozás tartománya 70-140bar.

Szállítási díj Az ár nem tartalmazza az esetleges, fizetéssel kapcsolatos díjakat

Küldési ország:
felfelé
A bolt előnézeti módban van
Jelenítsd meg az oldal teljes változatát
Sklep internetowy Shoper.pl