kasszához összesen: 0,00 Ft

Honda GX120 UT3QX4OH belső égésű motor, 6,48 l/perc szállítású, 1-es csoportba tartozó hidraulikus szivattyúval

Elérhetőség: nagy mennyiség
Szállítás: 2-5 munkanapon belül
Szállítás: Az ár nem tartalmazza az esetleges, fizetéssel kapcsolatos díjakat tekintsd meg a szállítási módokat
Bruttó ár: 350 977,20 Ft

Regular price:

350977.20
Nettó ár: 276 360,00 Ft

Regular price:

mennyiség db.

product unavailable

megőrzőbe helyezés

Leírás

Alkalmazás:

A HONDA belső égésű motorok hidraulikus szivattyúval ellátott szettben széles körben alkalmazhatók a hidraulikus rendszerekben az építőiparban, a mezőgazdaságban és az iparban. 


Műszaki adatok:

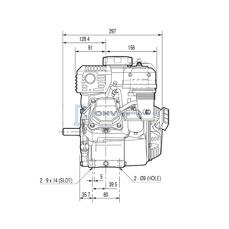
  • Model: GX120 UT3QX4OH
  • Motor típusa: négyütemű, felülszelepelt OHV, léghűtéses
  • Henger típusa: acél
  • Tengely típusa: vízszintes
  • Tengely átmérője: 19 mm
  • Lökettérfogat: 118 cm³
  • Henger átmérője és löket: 60 x 42 mm
  • Kompresszió: 8,5:1
  • Maximális teljesítmény: 2,6 kW (3,5 LE) / 3600 ford./perc
  • Folyamatos teljesítmény 3000 ford./perc: 1,8 kW (2,4 LE)
  • Folyamatos teljesítmény 3600 ford./perc: 2,1 kW (2,8 LE)
  • Maximális forgatónyomaték: 7,3 Nm / 0,74 kgm / 2500 ford./perc
  • Gyújtás: elektronikus
  • Indítás: kézi
  • Üzemanyagtartály kapacitása: 2 liter
  • Üzemanyag-fogyasztás: 1 l/h / 3600 ford./perc
  • Olajteknő kapacitása: 0,6 liter
  • Méretek (hossz x szélesség x magasság): 305 x 341 x 329 mm
  • Tömeg: 13,0 kg

Paraméterek a hidraulikus szivattyúhoz:

Geometriai térfogat: 1,80 cm³/fordulat
Forgásirány: jobbra
Fordulatszám-tartomány: 800 - 5000 ford./perc
Csatlakozások: belső menetes ház 3/8"
Csatlakozások külső menettel: M18x1.5


Ajánlott paraméterek folyamatos üzemhez:

Szállítási teljesítmény 3000 ford./perc mellett belső égésű motoron: 5,4 l/perc
Maximális nyomás 3000 ford./perc mellett belső égésű motoron: 180 bar
Szállítási teljesítmény 3600 ford./perc mellett belső égésű motoron: 6,48 l/perc
Maximális nyomás 3600 ford./perc mellett belső égésű motoron: 175 bar


Maximális üzemi paraméterek:

Szállítási teljesítmény 3600 ford./perc mellett belső égésű motoron: 6,48 l/perc
Maximális nyomás 3600 ford./perc mellett belső égésű motoron: 220 bar

 

 

 

Szállítási díj Az ár nem tartalmazza az esetleges, fizetéssel kapcsolatos díjakat

Küldési ország:
felfelé
A bolt előnézeti módban van
Jelenítsd meg az oldal teljes változatát
Sklep internetowy Shoper.pl