SMS Hidraulikus motor, folyadékszállítás: 80cm3/ford. fordulatszám: 800ford./perc tengely: 32mm rögzítőkonzollal valamint tengelyre szerelt hüvellyel
Regular price:
Regular price:
product unavailable
megőrzőbe helyezés
Leírás
Alkalmazás:
Hidraulikus rendszerekben széles körben használják, a mezőgazdaságban, kertészetben, erdőgazdálkodásban, építőiparban és a tág értelemben vett iparban.
Az ugyanilyen méretekkel rendelkező motorok származástól és gyártótól függően különböző szimbólumokkal vannak ellátva, többek között: OMS, BMS, SMS, OMSS, OMZS és egyebek
Elsősorban különböző típusú mezőgazdasági és ipari gépekben való felhasználásra szánt SMS hidraulikus motor. Nagy teljesítményt és forgatónyomatékot igénylő rendszerekben.
Ajánlott alkalmazás:
-Bálacsomagolók, szecskázók, trágyaszórók
-Seprűgépek, homokszórók, hókotrók-
-Silókiosztók
-Szállítószalag hajtóművek
-Aprítógépek
-Erdei csörlők és járműcsörlők
-Gödörfúró és talajfúró berendezések
-Hajtóművek
Gyártmányú SMS motorok jellemzői és előnyei:
-plusz csapágyazott tengely
-gördülőcsapágyak a hajtóműben műanyag betétek helyett
-sorosan és párhuzamosan is összekapcsolhatók
-nagy indítónyomaték és egyenletes működés azonnal a beindítást követően
-nagy ellenállás az axiális és radiális erőkkel szemben
-egyszerű beüzemelés
-alacsony zajszint
-hosszú élettartam még nehéz felhasználási körülmények esetén is
Az SMS motorok szerkezetánek alapját a GEROLLER rendszer képezi, mely erősített gördülőcsapágyak alkalmazását jelenti. A görgők biztosítják a lehető legnagyobb, terheléseknek való ellenállást, valamint hosszú élettartamot kölcsönöznek a motornak. A görgős motorok nehéz körülmények között, hosszú, szünetmentes szakaszokban működő mezőgazdasági és ipari gépekben alkalmazandók.
Műszaki adatok:
Forgásirány: kétirányú
Belső menetek a házban: 1/2”
Csatlakozók: csatlakozás oldalról
Ház anyaga: öntöttvas
Maximális paraméterek folyamatos működés esetén:
Maximális átfolyás: 65 l/perc
Maximális forgási sebesség: 800 ford./perc
Maximális nyomás: 17,5 MPa
Maximális teljesítmény: 16,6 kW
Maximális forgatónyomaték: 190 Nm
Maximális paraméterek időszakos, percenként max. 6 másodperces működés esetén:
Maximális átfolyás: 80 l/perc
Maximális forgási sebesség: 990 ford./perc
Maximális nyomás: 21 MPa
Maximális teljesítmény: 19 kW
Maximális forgatónyomaték: 240 Nm
Olajhőmérséklet ajánlott tartománya:
Megengedett környezeti hőmérséklet: -40 C - +80 C
Megengedett olajhőmérséklet: -15 C - +80 C
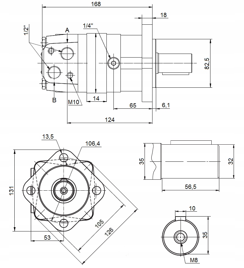
A hidraulikus motor alapvető méreteit ábrázoló rajz:


