Hidraulikus motor BMR folyadékszállítás: 25cm3/ford. fordulatszám: 1500ford./perc tengely: 25mm rögzítőkonzollal
Regular price:
Regular price:
product unavailable
megőrzőbe helyezés
Leírás
Alkalmazás:
Hidraulikus rendszerekben széles körben használják, a mezőgazdaságban, kertészetben, erdőgazdálkodásban, építőiparban és a tág értelemben vett iparban.
Az ugyanilyen méretekkel rendelkező motorok származástól és gyártótól függően különböző szimbólumokkal vannak ellátva, többek között: SMR, BMP, OMP , EMP és egyebek
Elsősorban különböző típusú mezőgazdasági és ipari gépekben való felhasználásra szánt BMR hidraulikus motor. Olyan rendszerekben, ahol közepes energiaigény áll fenn és közepes olajáramlással viszonylag nagy forgási sebességet szeretnénk elérni.
Ajánlott felhasználás:
-Bálacsomagolók, szecskázók, trágyaszórók
-Seprűgépek, homokszórók, hókotrók
-Sárgarépa-, cékla-, hagymavágó stb.,
-Silókiosztó
-Szállítószalag hajtóművek
-Aprítógépek
-Erdei csörlők és járműcsörlők
-Gödörfúró és talajfúró berendezések
BMR motorok jellemzői és előnyei:
-gördülőcsapágyak műanyag betétek helyett
-sorosan és párhuzamosan is összekapcsolhatók
-nagy indítónyomaték és egyenletes működés azonnal a beindítást követően
-nagy ellenállás az axiális és radiális erőkkel szemben
-egyszerű beüzemelés
-alacsony zajszint
-hosszú élettartam még zordd felhasználási körülmények esetén is
A BMR motorok szerkezetánek alapját a GEROLLER rendszer képezi, mely erősített gördülőcsapágyak alkalmazását jelenti. A görgők biztosítják a lehető legnagyobb, terheléseknek való ellenállást, valamint hosszú élettartamot kölcsönöznek a motornak. A görgős motorok nehéz körülmények között, hosszú, szünetmentes szakaszokban működő mezőgazdasági és ipari gépekben alkalmazandók.
Műszaki adatok:
-Forgásirány: kétirányú
-Belső menetek a házban: 1/2"
-csatlakozók: csatlakozás oldalról
-Ház anyaga: öntöttvas
Maximális paraméterek folyamatos működés esetén:
-Maximális átfolyás: 40 l/perc
-Maximális forgási sebesség: 1500 ford./perc
-Maximális nyomás: 14 MPa
-Maximális teljesítmény: 7 kW
-Maximális forgatónyomaték: 40 Nm
Maximális paraméterek időszakos, percenként max. 6 másodperces működés esetén:
-Maximális átfolyás: 45 l/perc
-Maximális forgási sebesség: 1650 ford./perc
-Maximális nyomás: 17,5 MPa
-Maximális teljesítmény: 9 kW
-Maximális forgatónyomaték: 50 Nm
Olajhőmérséklet ajánlott tartománya:
-Megengedett környezeti hőmérséklet: -40 C - +80 C
-Megengedett olajhőmérséklet: -15 C - +80 C
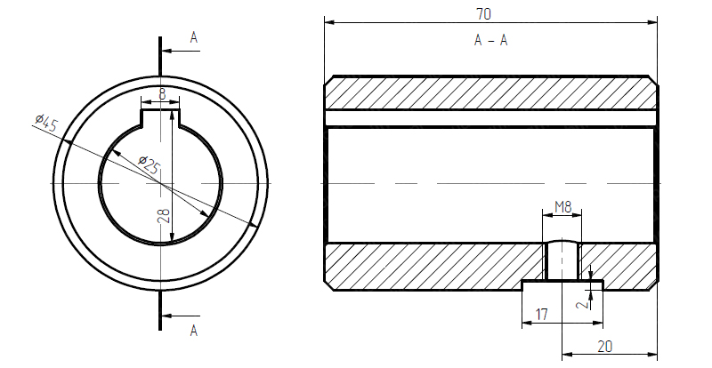
A hidraulikus motor alapvető méreteit ábrázoló rajz.
