kasszához összesen: 0,00 Ft

3-szekciós hidraulikus elosztó 80L 2x kettős működésű 1x egyszeres működésű

Elérhetőség: nagy mennyiség
Szállítás: 2-5 munkanapon belül
Szállítás: Az ár nem tartalmazza az esetleges, fizetéssel kapcsolatos díjakat tekintsd meg a szállítási módokat
Bruttó ár: 105 157,27 Ft

Regular price:

105157.27
Nettó ár: 82 801,00 Ft

Regular price:

mennyiség db.

product unavailable

megőrzőbe helyezés

Leírás

Alkalmazás:

Hidraulikus rendszerekben széles körben használják, a mezőgazdaságban, kertészetben, erdőgazdálkodásban, építőiparban és a tág értelemben vett iparban. Különböző típusú gépekben való felhasználsra szolgál, mint például: mezőgazdasági gépek, traktorok, permetezők, kaparók, markolók, HDS rakodók, építőipari gépek, rakodók, kotrók, seprőgépek, ipari gépek és egyéb, hidraulikusan vezérelt gépek.

A munkahenger szekció direkt egyszeres működésű hengerek vezérlésére szolgál. A szekció második nyílásában egy gyárilag becsavart, fém dugó található. Nincs szükség plusz átfolyás kivezetésére. Az egyszeres működésű henger szabadon leesik és nem blokkolja a szivattyúból kifolyó olajat. A munkahenger szekció nagyon jól jön olyan TUR homlokrakodók esetén, melyek egyszeres működésű munkahengerrel emelik meg a fő keretet.

Műszaki adatok:

A rendszer ajánlott olajátfolyása: 0 - 80 l/perc.
Meglévő rendszerrel sorba köthető (szorítóhüvely szükséges).

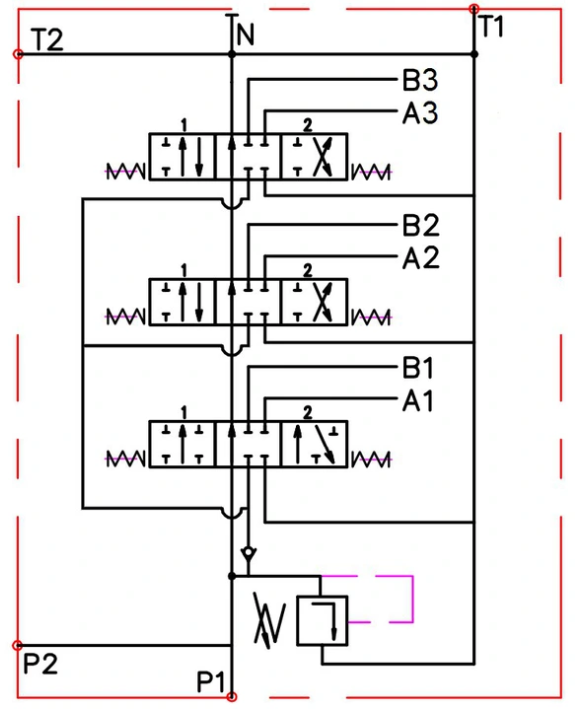
Hidraulikus elosztó hidraulikus rajza:

 

Vezérlés:

Háromállású kar (1 - 0 - 2), rúgós, tehát magától visszaáll függőleges helyzetbe.

- 0. helyzet (kar függőleges helyzetben) a munkahenger dugattyúrúdja áll - az olaj átfolyik.
-1. helyzet (a kar átlósan előrefelé áll) a munkahenger dugattyúrúdja kitolódik.
-2. helyzet (a kar átlósan hátrafelé áll) a munkahenger dugattyúrúdja visszahúzódik.

Egyszeres működésű szekció háromállású karja (1 - 0 - 2), rúgós, tehát magától visszaáll függőleges helyzetbe.

- 0. Alaphelyzet (kar függőleges helyzetben) a munkahenger dugattyúrúdja áll - az olaj átfolyik.
-1. helyzet (a kar átlósan előrefelé áll) a munkahenger dugattyúrúdja kitolódik.
-2. helyzet (a kar átlósan hátrafelé áll) a munkahenger dugattyúrúdja visszahúzódik.

Csatlakoztatás:

Szivattyú ellátókör (P): belső menet BSP 1/2''
Tartályba visszatérő kör (T): belső menet BSP 3/4''
Szekcióbemenet (A, B): belső menet BSP 1/2''
Soros csatlakozás (N): belső menet BSP 3/4"

Nyomásintervallum:

Maximális nyomás az ellátókörben: 250Bar
Maximális nyomás a visszatérő körben: 50Bar
Maximális nyomás a szekciókban: 300Bar

A túlfolyószelep gyárilag 175Bar-ra van állítva.
Saját hatáskörben beállítható, egy teljes fordulat 30Bar-ral változtatja meg a nyomást.

Olajhőmérséklet ajánlott tartománya:

Megengedett környezeti hőmérséklet: -40 °C - +60 °C
Megengedett olajhőmérséklet: -15 °C - +80 °C

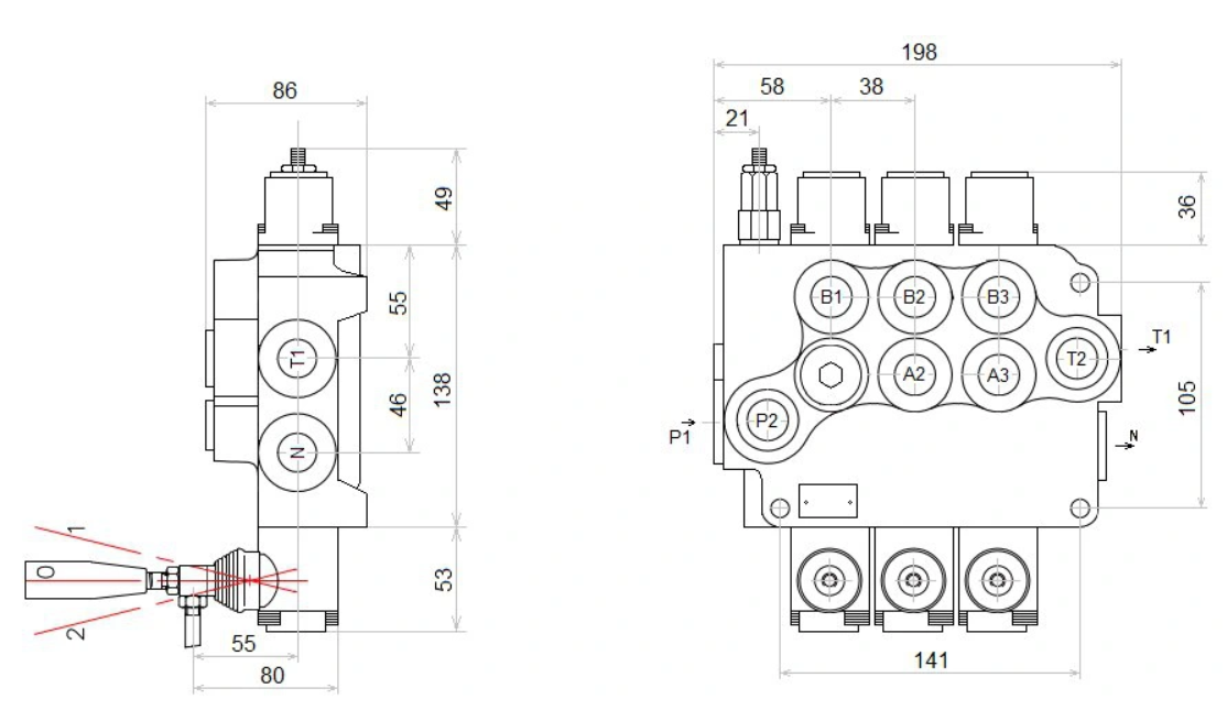
Hidraulikus elosztó alapvető méreteit bemutató rajz 

Szállítási díj Az ár nem tartalmazza az esetleges, fizetéssel kapcsolatos díjakat

Küldési ország:
felfelé
A bolt előnézeti módban van
Jelenítsd meg az oldal teljes változatát
Sklep internetowy Shoper.pl